

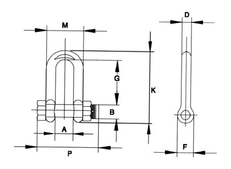
Product Name:Bolt Type Chain Shackles G-2150
|
Nominal Size (in.) |
Working Load Limit (t) |
Weighteach | Dimensions(in.) |
Tolerance +/- |
|||||||||
| (lbs) | A | B | D | F | G | K | M | P | R | G | A | ||
| 1/4 | 1/2 | 0.13 | 0.47 | 0.31 | 0.25 | 0.62 | 0.91 | 1.59 | 0.97 | 1.56 | 0.25 | 0.06 | 0.06 |
| 5/16 | 3/4 | 0.23 | 0.53 | 0.38 | 0.31 | 0.75 | 1.07 | 1.91 | 1.15 | 1.82 | 0.31 | 0.06 | 0.06 |
| 3/8 | 1 | 0.33 | 0.66 | 0.44 | 0.38 | 0.92 | 1.28 | 2.31 | 1.42 | 2.17 | 0.38 | 0.13 | 0.06 |
| 7/16 | 1-1/2 | 0.49 | 0.75 | 0.50 | 0.44 | 1.06 | 1.48 | 2.67 | 1.63 | 2.51 | 0.44 | 0.13 | 0.06 |
| 1/2 | 2 | 0.75 | 0.81 | 0.64 | 0.50 | 1.18 | 1.66 | 3.03 | 1.81 | 2.80 | 0.50 | 0.13 | 0.06 |
| 5/8 | 3-1/4 | 1.47 | 1.06 | 0.77 | 0.63 | 1.50 | 2.04 | 3.76 | 2.32 | 3.56 | 0.63 | 0.13 | 0.06 |
| 3/4 | 4-3/4 | 2.52 | 1.25 | 0.89 | 0.75 | 1.81 | 2.40 | 4.53 | 2.75 | 4.15 | 0.81 | 0.25 | 0.06 |
| 7/8 | 6-1/2 | 3.85 | 1.44 | 1.02 | 0.88 | 2.10 | 2.86 | 5.33 | 3.20 | 4.82 | 0.97 | 0.25 | 0.06 |
| 1 | 8-1/2 | 5.55 | 1.69 | 1.15 | 1.00 | 2.38 | 3.24 | 5.94 | 3.69 | 5.39 | 1.00 | 0.25 | 0.06 |
| 1-1/8 | 9-1/2 | 7.60 | 1.81 | 1.25 | 1.13 | 2.68 | 3.61 | 6.78 | 4.07 | 5.90 | 1.25 | 0.25 | 0.06 |
| 1/1/4 | 12 | 10.81 | 2.03 | 1.40 | 1.25 | 3.00 | 3.97 | 7.50 | 4.53 | 6.69 | 1.38 | 0.25 | 0.06 |
| 1-3/8 | 13-1/2 | 13.75 | 2.25 | 1.53 | 1.38 | 3.31 | 4.43 | 8.28 | 5.01 | 7.21 | 1.50 | 0.25 | 0.13 |
| 1-1/2 | 17 | 18.50 | 2.38 | 1.66 | 1.50 | 3.62 | 4.87 | 9.05 | 5.38 | 7.73 | 1.62 | 0.25 | 0.13 |
| 1-3/4 | 25 | 31.40 | 2.88 | 2.04 | 1.75 | 4.19 | 5.82 | 10.97 | 6.38 | 9.33 | 2.12 | 0.25 | 0.13 |
| 2 | 35 | 46.75 | 3.25 | 2.30 | 2.10 | 5.00 | 6.82 | 12.74 | 7.25 | 10.41 | 2.36 | 0.25 | 0.13 |
| 2-1/2 | 55 | 85.00 | 4.12 | 2.80 | 2.63 | 5.68 | 8.07 | 14.85 | 9.38 | 13.58 | 2.63 | 0.25 | 0.25 |
| 3 | 85 | 124.25 | 5.00 | 3.25 | 3.00 | 6.50 | 8.56 | 16.87 | 11.00 | 15.13 | 3.50 | 0.25 | 0.25 |